
|
天恒型號
|
主要尺寸(mm)
|
標稱破壞
荷重(kN) |
重量(kg)
|
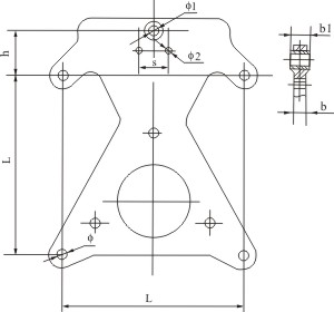
|||||||
|
b
|
b1
|
h
|
Φ
|
Φ1
|
Φ2
|
L
|
S
|
|||
|
LX-1645
|
18
|
18
|
95
|
20
|
26
|
18
|
450
|
80
|
160
|
26.0
|
|
LX-2145
|
18
|
26
|
95
|
18
|
30
|
-
|
450
|
-
|
210
|
20.0
|
|
LX-2545
|
18
|
30
|
95
|
20
|
33
|
18
|
450
|
80
|
250
|
25.5
|
|
LX-3045
|
18
|
32
|
95
|
24
|
39
|
14
|
450
|
80
|
300
|
27.1
|
|
LX-3245
|
18
|
32
|
95
|
20
|
39
|
-
|
450
|
-
|
320
|
27.4
|
|
LX-4245
|
22
|
22
|
100
|
22
|
39
|
18
|
450
|
60
|
420
|
35.4
|
|
LX-1645A
|
18
|
18
|
95
|
20
|
26
|
18
|
450
|
80
|
160
|
26.0
|
|
LX-2145S
|
16
|
20
|
95
|
18
|
26
|
18
|
450
|
80
|
210
|
21.3
|
|
LX-2150S
|
16
|
20
|
95
|
18
|
26
|
18
|
500
|
80
|
210
|
25.5
|
|
LX-3250S
|
18
|
28
|
95
|
20
|
33
|
18
|
500
|
80
|
320
|
29.0
|
|
LX-4250S
|
18
|
32
|
95
|
20
|
39
|
18
|
500
|
80
|
420
|
29.0
|
|
LX-6450S
|
18
|
36
|
95
|
20
|
45
|
18
|
500
|
80
|
640
|
30.5
|
根據GB/T5075-2001 標準《電力金具名詞術語》定義:電力金具,是連接和組合電力系統中的各類裝置,起到傳遞機械負荷、電氣負荷及某種防護作用的金屬附件。
電力金具分類:
1、按作用及結構可分為懸垂線夾、耐張線夾、連接金具、接續金具、保護金具、設備線夾、T型線夾、母線金具、拉線金具等類別;按用途可用為線路金具和變電金具。
2、按電力金具產品單元劃分為可鍛鑄鐵類、鍛壓類、鋁銅鋁類和鑄鐵類,共四個單元。
3、還可分為國標與非國標
按金具的主要性能和用途,金具大致可分為以下幾類
1)、懸吊金具,又稱支持金具或懸垂線夾。這種金具主要用來懸掛導線絕緣 子串上(多用于直線桿塔)及懸掛跳線于絕緣子串上。
2)、錨固金具,又稱緊固金具或耐線線夾。這種金具主要用來緊固導線的終端,使其固定在耐線絕緣子串上,也用于避雷線終端的固定及拉線的錨固。錨固金具承擔導線、避雷線的全部張力,有的錨固金具變作為導電體
3)、連接金具,又稱掛線零件。這種金具用于絕緣子連接成串及金具與金具的連接。它承受機械載荷。
4)、接續金具。這種金具專用于接續各種裸導線、避雷線。接續承擔與導線相同的電氣負荷,大部分接續金具承擔導線或避雷線的全部張力。
5)、防護金具。這種金具用于保護導線、絕緣子等,如保護絕緣子用的均壓環,防止絕緣子串上拔用的重錘及防止導線振動用的防振錘、護線條等
6)、接觸金具。這種金具用于硬母線、軟母線與電氣設備的出線端子相連接,導線的T接及不承力的并線連接等,這些連接處是電氣接觸。因此,要求接觸金具的較高的導電性能和接觸穩定性。
7)、固定金具,亦稱電廠金具或大電流母線金具。這種金具用于配電裝置中的各種硬母線或軟母線與支柱絕緣子的固定、連接等,大部分固定金具不作為導電體,僅起固定、支持和懸吊的作用。但由于這些金具是用于大電流,故所有元件均應無磁滯損失。
TAG標簽:
聯板(LX型)